Professional Manufacturer of Ringlock Scaffolding & Scaffold Accessories Since 2008-Best Price!
Ringlock Diagonal Brace
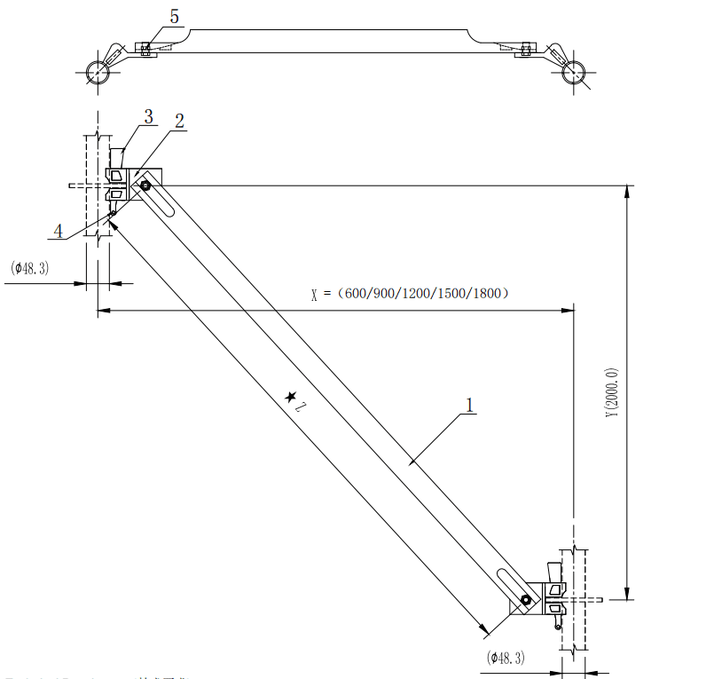
Tube diameter: 48.3mm
thickness: 3.2/2.75mm
Steel Grade: Q355B
Surface treatment: Hot Dip Galvanized
Certification:EN12811
Best price in 2026 for EN12811 certified . Direct sales from our Chinese factory, 15+ years of export experience, in-stock stock, 7-15 day delivery, free samples. Contact us for the latest quote.


Product Description

| Name | Description | Weight(kg) | Surface | Certification |
|---|---|---|---|---|
| Diagonal Braces | 48.3*2.75*(1000*2000)mm | 8.59 | Hot Dip Galvanized | EN12811 |
| Diagonal Braces | 48.3*2.75*(1500*2000)mm | 9.32 | Hot Dip Galvanized | EN12811 |
| Diagonal Braces | 48.3*2.75*(2000*2000)mm | 10.27 | Hot Dip Galvanized | EN12811 |
| Diagonal Braces | 48.3*2.75*(2500*2000)mm | 11.38 | Hot Dip Galvanized | EN12811 |
| Diagonal Braces | 48.3*2.75*(3000*2000)mm | 12.75 | Hot Dip Galvanized | EN12811 |
The ringlock vertical diagonal brace, commonly referred to as the ringlock diagonal brace, is a longitudinal type of diagonal brace designed to secure the ringlock scaffold system vertically between the rungs of the ringlock scaffolding ledgers and the rise of the ringlock verticals(say 1m, 1.5m and 2.0m, 2.5m). This brace is essential for stabilizing scaffold towers and effectively transmitting loads within the ring system modular scaffolding construction.
The ringlock vertical diagonal braces can be also used as handrails of the stair system in the ringlock stair system as security parts of the stairs.
The ringlock diagonal braces are composed of one single scaffold tube, two sets of ringlock brace heads with wedge pins as well as the rivet fixing the brace heads to the single scaffold tubes.
Detailed Photos


Shipment Photos


Frequently Asked Questions
Q: How does Ringlock scaffolding compare to other types of scaffolding systems, like cuplock or frame scaffolding?
– Ringlock scaffolding is known for its rapid assembly and adaptability to various structures, making it a popular choice for many projects. Cuplock scaffolding is quick to install but may not be as versatile, while frame scaffolding is sturdy but less adaptable.
Q: Can Ringlock scaffolding be used for shoring applications?
– Yes, Ringlock scaffolding can be used for shoring and reshoring applications when paired with appropriate components like shoring heads and shoring posts.
Q: Are there any specific safety guidelines I should follow when using Ringlock scaffolding?
– Yes, always follow safety guidelines provided by the manufacturer. Ensure that scaffolding is erected by trained personnel, use personal protective equipment (PPE), and conduct regular inspections to maintain safety.
